Insulating oil in Power Transformer
Oil-impregnated paper is widely used in power transmission equipment as a reliable insulation. However, copper sulphide deposition on oil-paper insulation can lead to insulation failures in power transformers. The paper shows the influences of copper sulfur corrosion and copper sulphide deposition on copper wires and oil-paper insulation in power transformers. Thermal aging tests of paper-wrapped copper wires and bare copper wires in insulating oil were carried out at 130 °C and 150 °C in laboratory. The corrosive characteristics of paper-wrapped copper wires and bare copper wires were analyzed. Dielectric properties of insulation paper and insulating oil were also analyzed at different stages of the thermal aging tests using a broadband dielectric spectrometer.
Experiments and analysis results show that copper sulfide deposition on surfaces of copper wires and insulation paper changes the surface structures of copper wires and insulation paper. Copper sulfur corrosion changes the dielectric properties of oil-paper insulation, and the copper sulfide deposition greatly reduces the electrical breakdown strength of oil-paper insulation. Metal passivator is capable of preventing copper wires from sulfur corrosion. The experimental results are helpful for investigations for fault diagnosis of internal insulation in power transformers.
Introduction
Oil-paper insulation plays an important role of the internal insulation of power transformers. Aging of transformer insulation is a gradual procedure which can eventually threaten the safe operation of power transformers. During long-term operation of power transformers, oil-paper insulation is exposed to multiple stresses, including electrical, thermal, and mechanical factors. Corrosive sulfur is also a factor that influences aging of oil-paper insulation, when it is dissolved in insulating oil.
An approach to test corrosive sulfur in transformer oil was first proposed in. In recent years, failures resulting from corrosive sulfur in transformers and reactors have happened frequently and raised the attention of researchers and engineers again. The Doble Company, ABB, Mitsubishi Electric Corporation, and CIGRE have launched a wide range of research projects on corrosive sulfur and its influences on aging of oil-paper insulation.
Copper sulfide (Cu2S) is considered a reaction product of corrosive sulfur and the copper wires of windings under certain conditions. Sulfur antioxidants are the main source of corrosive sulfur in transformers. Cu2S is usually generated over a wide temperature range from 80 °C to 150 °C.
Once Cu2S deposits on the surfaces of copper wires and diffuses into the oil-paper insulation, it greatly reduces the insulation strength between coils and leads to insulation failures in power transformers.
Copper corrosive sulfur is thus closely related to the safe operation of power transformers. However, most studies have focused on the detection of corrosive sulfur compounds in insulating oil, the quality of different brands of oil, the factors affecting Cu2S deposition [8], the mitigation pathways of Cu2S, and so on. It is rarely reported that the characteristic variations of copper wires and oil-paper insulation after copper sulfur corrosion occurred in a transformer’s internal insulation. There is still a lack of investigation on the influences of Cu2S deposition on copper wires and oil-paper insulation.
This paper presents the influences of copper sulfur corrosion on copper wires and oil-paper insulation in power transformers. Thermal aging tests were executed for paper-wrapped copper wires and bare copper wires in insulating oil of the Nynas and Karamay brands in the laboratory.
One type of metal passivator was selected to prevent copper dissolution and copper sulfur corrosion in transformer oil. The characteristics variation of copper wires and oil-paper insulation were analyzed at different stages of the thermal aging tests.
Experiments of Insulating Oil
Two brands of insulating oil, Nynas and Karamay, were selected for thermal aging tests. IRGAMET 39, produced by CIBA Corporation, was selected as metal passivator. Past corrosion testing reported that the corrosive sulfur only existed in Nynas oil. In Karamay oil, there is no detectable corrosive sulfur. Corrosive sulfur tests were conducted according to the procedures prescribed in ASTM Standard D1275B. The specimens were subjected to corrosive sulfur tests at 150 °C for 48 h and the surfaces of copper wires were observed after aging tests. As a protective approach, metal passivator can effectively protect the copper wires from corrosive sulfur. Therefore, adding metal passivator into insulating oil is helpful to protect the insulation of power transformers.
Thermal aging tests of bare copper wires and paper-wrapped copper wires were carried out to investigate the influences of temperature and aging time on the generation rate of Cu2S deposition on copper wires and oil-paper insulation. The dimension of each copper wire was 50 mm in length, 15 mm in width, and 2 mm in thickness. Insulation paper with 15 mm width and 0.08 mm thickness was used for the thermal aging experiments. Table 1 shows that five types of specimens were carried out for experiments and each type consists of three specimens. The conical flasks of all specimens were filled with 220 mL of insulating oil. Two bare copper wires and two paper-wrapped copper wires were placed in each conical flask except for specimen N4. Only insulation paper was placed in the conical flasks of this specimen.
Table 1. Testing samples and conditions of thermal aging tests.
X-ray photoelectron spectroscopy (XPS) and scanning electron microscopy (SEM) were utilized to analyze the surface composition and the micromorphology of the copper wires and insulation paper.
Moreover, a broadband dielectric spectrometer was adopted to analyze the permittivities of insulating oil and paper. In addition, an atomic absorption spectrophotometer was used to analyze the dissolved copper in oil.
Results of Thermal Aging Test
Appearance of the Copper Wires and Insulation Paper
Figure 1 shows the appearance of the copper wires before and after thermal aging tests. The color of bare copper wires of specimen N1 and N2 turns gradually from yellow to light gray, dark gray, and black with increasing aging time. A similar evolution of color could be observed on the paper-wrapped copper wires. Nevertheless, the surface colors of paper-wrapped copper wires are brighter than those of bare copper wires at the same aging time. The dark or gray substances on copper wires are Cu2S.
Figure 1. Copper wires before (a) and after (b) thermal aging tests.
Figure 2 shows the appearance of internal surface of the insulation papers of specimen K1 and N1 aged for 216 h. There is some sediment on the internal surface of insulation paper of specimen N1.
Figure 2. The appearance of insulation paper of (a) specimen K1; (b) specimen N1.

SEM of Copper Wires and Insulation Paper
Figure 3 shows the SEM images at a magnification of 10,000 times of bare copper wires of specimens K1 and N1 aged for 216 h. The copper wires of specimen K1 have flat surfaces without bulges. The surfaces of copper wires of specimen N1 became rough and much granular sediment existed on the surfaces of the copper wires.
Figure 3. The SEM images of bare copper wires of (a) specimen K1; (b) specimen N1.

Figure 4 shows the SEM images at a magnification of 250 times of insulation paper of specimens K1 and N1 aged for 216 h. The fiber texture of the insulation paper is clearly visible of specimen K1.
The fiber texture of the insulation paper is fuzzy in specimen N1, and the gaps between fibers are filled with particles.
Figure 4. The SEM images of insulation paper of (a) specimen K1; (b) specimen N1.

XPS of Copper Wires and Insulation Paper
Table 2 shows the XPS results of copper wire specimens. Wires 1 and 2 represent the paper wrapped copper wires of specimen N1 aged for 216 h and 288 h, respectively. Wire 3 is the bare copper wire of specimen N1 aged for 288 h. Wires 4 and 5 represent the paper-wrapped copper wires of specimen N2 aged for 48 h and 72 h, respectively. Wire 6 is the bare copper wire of specimen N2 aged for 72 h.
Table 2. The XPS results of copper wires.

Cu2S deposition on copper wires increases with increasing aging time. As the temperature rises, the deposition rate of Cu2S on copper wires increases. The degrees of corrosion of paper-wrapped copper wires are smaller than those of bare copper wires. This is mainly ascribed to the fact that the surface of paper-wrapped copper wires is much less exposed to oil than that of bare copper wires. In addition, some Cu2S depositions would remain on the insulation paper which wraps the copper wires.
There is significant Cu2S deposition on the insulation paper of specimen N1, and there is no significant Cu2S deposition on specimens K1, N3 and N4. Table 3 shows the XPS results of insulation paper of specimen N1 at different aging times. The Cu2S deposition on insulation paper increases with the aging time.

Dielectric Properties of Insulating Oil
Table 4 shows the acid values of the insulating oil specimens. At the aging time of 72 h, the acid values of the insulating oil of four types of specimens were similar to one another. However, when the aging time reached 216 h, the acid value of the insulating oil of specimen N1 became much greater than that of the other three. This is because the corrosive sulfur causes the corrosion of copper wires in the insulating oil. The acid value of insulating oil of specimen N3 increases a little bit, which is very different from the changed acid value property of specimen N1. This indicates that the passivator can function to prevent corrosion of copper wires from corrosive sulfur.
Table 4. The acid values of insulating oil (mg KOH/g).

Table 5 shows the measurement results of dissolved copper in insulating oil. At an aging time equal to 72 h, the concentration of dissolved copper in Nynas oil (specimen N1) is smaller than that of Karamay oil (specimen K1). Cu2S generation in insulating oil results in reduction of dissolved copper in the Nynas oil specimens. In the oil of specimen N3, which had added passivator, the concentrations of dissolved copper are smaller and dissolved copper increases slowly. These results show that the passivator can protect copper wires from corrosive sulfur, and effectively reduce the surface activity of copper wires.
Table 5. The concentration of dissolved copper in oil (mg/kg).

Figure 5. The spectrum of permittivity of insulating oil versus frequency.

Figure 5 shows the permittivity of insulating oil of testing specimens measured by the Novocontrol broadband dielectric spectrometer. The permittivity of the insulating oil of specimen N1 at the aging time of 216 h is much smaller than that of the insulating oil of the same specimen at shorter aging times. A similar result was observed for the insulating oil of specimen N2 at an aging time of 72 h.
This indicates that the permittivity of insulating oil with corrosive sulfur decreases considerably when the aging time reaches a certain value. No significant difference between the permittivity of the insulating oil of specimen N3 and that of K1 and N4 were observed. This resulted from the passivator in the insulating oil of specimen N3.
Dielectric Properties of Insulation Paper
Figure 6 shows the permittivities of insulation paper specimens measured by the Novocontrol broadband dielectric spectrometer. The permittivity of the insulation paper of specimen N1 at the aging time equal to 216 h is much smaller than that of the insulation of the same specimen at shorter aging times. The permittivity of insulation paper of specimen N2, whose surface has few Cu2S depositions, is different from that of specimen N1. This indicates that the permittivity of insulation paper with Cu2S deposition decreases more when the aging time reaches a certain value. Meanwhile, no significant differences were observed between among the permittivities of insulation paper of specimens N3, K1 and N4.
Figure 6. The spectrum of permittivity of insulation paper versus frequency.

Table 6 displays the measured electrical breakdown strength of oil-paper insulation under power frequency (50 Hz) AC voltage. The electrical breakdown strength of insulation paper with Cu2S deposition of specimen N1 is the lowest, and the insulation paper of specimen N4 and K1 is the highest. The electrical breakdown strength of the insulation paper protected by metal passivator of specimen N3 is much higher than that of the specimen N1 without passivator. This indicates that the electrical breakdown strength of insulation paper with Cu2S deposition decreases considerably when the aging time reaches a certain value.
Table 6. The electrical breakdown strength of insulation paper (kV/mm).

Insulating Paper Test Discussion
The above test results of insulation paper show that the brand of transformer oils is the most critical factor for sulfur corrosion. Meanwhile, temperature and aging time also play important roles on the formation of Cu2S.
The amount of Cu2S deposition on the insulation paper and copper wire surface increased with aging time. The copper sulfur corrosion starts with oil-dissolved copper. Yet, as a protection approach, passivator is effective in both protecting the copper wires from corrosive sulfur and reducing the concentrations of dissolved copper in oil. Therefore, it is quite necessary to add passivator to insulating oil to protect the windings before the operation of transformers.
The Cu2S deposition on oil-paper insulation of specimen N1 increased with aging time, which would result in deterioration of the insulation paper’s electrical breakdown strength. Generally, there are two reasons for this phenomenon. The first, is that the insulation paper would suffer more voltage stresses than oil after the occurrence of copper sulfur corrosion. The change of permittivity of oil-paper insulation of specimen N4 and N1 aged for 216 h is shown in Table 7. The permittivity of paper with Cu2S deposition dropped a lot more than that of paper without Cu2S deposition, and the rate of change was as high as 28.47%. The permittivity of oils also dropped when copper sulfur corrosion occurred, and the rate of change was 8.36%. Electrical breakdown strength of oil-paper insulation is inversely proportional to the permittivity of oils and paper. The decrease rate of permittivity of paper is much greater than the oil, and this would lead paper to endure more voltage stresses.
Table 7. The permittivity of oil-paper insulation (power frequency, 50 Hz).

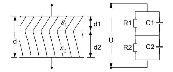
The second, the electrical breakdown strength of insulation paper with Cu2S deposition would be reduced. The insulation paper with Cu2S deposition on its surface can be simplified by a double composite dielectric model. The double composite dielectric model and its equivalent circuit are shown in Figure 7. For usual dielectric materials and power frequency AC voltages, the conductivity of the materials can be neglected. The ε1 and ε2 denote the permittivity of each layer, d1 and d2 denote the thickness of each layer, and d is the total thickness of double composite dielectric. C1 and C2 denote the equivalent capacitance, R1 and R2 denote the equivalent resistance, and U denotes the applied voltage of the equivalent circuit. E denotes the macroscopic mean value of applied electric-field strength, E1 and E2 denote the electric-field strength of layer 1 and 2, and E1K denote the electrical breakdown strength of layer 1, respectively.
Figure 7. The double composite dielectric model (a) and the equivalent circuit diagram (b).

When the applied voltage U reached the steady-state, the mean value of applied electric-field strength E of double composite dielectric model can be described as:

The electric-field strength of each layer of dielectric can be normalized according to (2) and (3).

It can be seen from Formulas (1) to (3), that the electric-field strength of each layer dielectric is inversely proportional to its permittivity. If the permittivities ε1 and ε2 differ greatly, it will generate much higher electric-field strength than E in a certain single layer. For instance, if E1 > E, when E1 reached the electrical breakdown strength E1K, the breakdown of this layer dielectric occurs.
Afterwards, the whole voltage would be applied to the other layer and makes it more vulnerable to electrical stress. Unavoidably, the breakdown of the other layer would eventuate as well, i.e., the whole dielectric would suffer electrical breakdown. Therefore, the microscopic inhomogeneity of the double composite dielectric would deteriorate the electrical breakdown strength of the dielectric as a whole.
The Results of the Reported Work
This paper presents the influences of copper sulfur corrosion and copper sulphide deposition on copper wires and oil-paper insulation in power transformers. The results of the reported work and analysis are summarized as follows:
- The amount of Cu2S deposition on insulation paper and copper wire surface increase with the aging time.
- Sulfur corrosion of copper wires can reduce the permittivity of oil-paper insulation.
- The electrical breakdown strength of oil-paper insulation with copper sulfide depositions declines greatly, and this would lead to internal insulation failure of transformers.
- The results provide a basic investigation that could contribute to fault diagnosis of copper sulfur corrosion in power transformers.


